Hệ thống phòng cháy chữa cháy là hệ thống rất quan trọng trong một tòa nhà, và để các thiết bị hoạt động tốt thì tủ điều khiển là thiết bị vô cùng quan trọng. Tủ điều khiển máy bơm chữa cháy PCCC thông thường sẽ chạy tự động hoặc bằng tay theo tín hiệu áp lực trên đường ống thông qua công tắc áp suất ( pressure switch ). Một tủ điều khiển bơm pccc sẽ có 03 máy bơm. máy bơm điện chữa cháy chính, máy bơm động cơ diesel chữa cháy phụ và máy bơm bù áp.
1- Tủ 1- Tủ Điều Khiển Bơm Bù áp
Đây là bơm có chức năng duy trì áp lực đường ống. Khi áp suất ngưỡng đặt dưới nó bơm bù khi đạt ngưỡng trên nó dừng hoạt động. Loại bơm này công suất thường nhỏ và luôn nhỏ hơn bơm chính. Có hai loại khởi động chính cho hệ thống này là sao/tam giác và khởi động trực tiếp (DOL).
Việc chọn lựa hình thức khởi động nào tùy thuộc vào công suất của máy bơm. Nhưng thông thường thì là khởi động trực tiếp. Yêu cầu với tủ điều khiển máy bơm chữa cháy này là lưu ý đến áp suất đường ống, độ sụt áp đường ống. Áp suất hệ thống thường được thiết kế 8 bar đến 10 bar.
2- Tủ điều khiển Bơm Điện (hoạt động chính)
Khi thực sự có cháy bơm này sẽ làm việc. Lúc này nhu cầu nước sẽ là nhiều nên công suất máy bơm loại này sẽ lớn hơn. Nên tủ điện điều khiển loại bơm này thường có chế độ khởi động sao/tam giác.
Một lưu ý với loại này là những hệ thống bơm lớn có thể có kèm thêm bơm dự phòng, bơm mồi cho bơm chính. Cần thiết kế tủ điện điều khiển bơm cứu hỏa đảm bảo tính tuần tự khởi động của các máy bơm. Và lưu ý đến tính độc lập nguồn cấp cho máy bơm vì khi cháy sảy ra điện thường bị ngắt hoặc được ngắt.
3- Tủ điều khiển bơm Diesel
Yêu cầu điều khiển phức tạp hơn do có phần điều khiển động cơ diesel. Bản thân động cơ hiện đại thường có bộ điều tốc điện tử việc khởi động và điều tiết áp lực có thể điều khiển thông qua bộ điều khiển/điều tốc (tín hiệu analog/số).
Với loại bơm này thì không cần phần mạch lực cấp nguồn cho máy bơm vì máy bơm chạy bằng diesel. tủ sẽ bao gồm phần điều khiển là chính. Lúc này nguồn nuôi sẽ là điện acquy. Vì theo nguyên tắc phòng cháy chữa cháy thường phải cắt điện trước, hoặc nguyên nhân cháy nổ do hệ thống điện gây ra dẫn đến hệ thống điện ngừng hoạt động.
**Lưu ý:
Khi thiết kế tủ điện điều khiển bơm diesel là động cơ dùng cho phòng cháy ít khi được hoạt động. Cần có chế độ chạy động cơ định kì (động cơ để quá lâu không dùng khó khởi động). Và tủ điện điều khiển máy bơm cứu hỏa diesel cần có sạc nguồn cho acquy vì acquy sẽ hết điện áp nếu không được sạc, hoặc điện yếu không đủ điện khởi động động cơ diesel.
Tủ điều khiển máy bơm diesel đưa ra tín hiệu điều khiển động cơ theo chu kì như sau:
Khởi động động cơ lần một 10 đến 15s nếu không khởi động được thì phải dừng quá trình khởi động lại chờ trong 10s để acquy hồi điện. Nếu sau một số lần khởi động không được thì cần dừng máy và cảnh báo để kĩ thuật khắc phục tình trạng động cơ không khởi động được.
Với loại động cơ có bảng điều khiển điện tử thì tủ điều khiển bơm chữa cháy không cần quy trình khởi động như trên mà bản thân bộ điều khiển sẽ tự khởi động theo lập trình của nhà sản xuất. Khi có bảng điều khiển điện tử. Tủ điện điều khiển bơm chỉ cần đưa ra tín hiệu chạy / dừng động cơ mà thôi.
4- Mạch khởi động của động cơ
Đối với những động cơ có công suất trung bình thì tủ điện điều khiển sao tam giác động cơ 3 pha. Động cơ có công suất nhỏ thì có thể khởi động trực tiếp, còn động cơ công suất lớn thì có thể dùng biến tần.
Khởi động theo phương pháp chuyển từ đấu sao sang tam giác có ưu điểm là dòng điện khởi động sẽ giảm đi 3 lần so với khởi động mạch đấu tam giác , vì vậy dễ khởi động những động cơ có công suất lớn, nhưng nhược điểm là ngẫu lực (mô men khởi động) không cao, giảm mất 1/3 so với khởi động trực tiếp. Nguyên tắc của phương pháp này là lúc đầu cho động cơ chạy ở chế độ đấu sao, một khoảng thời gian chuyển mạch sang đấu tam giác.
Các thiết bị cơ bản cần có để hoàn thiện tủ điện điều khiển theo sơ đồ mạch điện sao, tam giác như sau: 2 công tắc tơ, 1 relay thời gian, 1 relay nhiệt nút nhấn on, off, cb. Còn đầy đủ hơn thì cần 1 cái atomat tổng và contactor tổng.
Bài toán ở đây chúng ta giả thiết là động cơ điện 3P- 45kw – 380V. Với công suất này.
Dòng tính toán Itt = 81A , Dòng khởi động qua sao – tam giác 150A
=> Chọn MCCB 3P- 150AT/250AF, Rơ le nhiệt (65 – 95 )A, Cài đặt 80A
Chọn dây cáp điện 2x Cu/xlpe/pvc (3C50mm2) + E35mm2
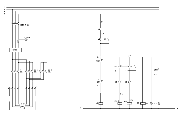
Mạch điều khiển và mạch động lực

5- Nguyên lý hoạt tủ điều khiển động cơ 3 pha sao tam giác
Chúng ta có thể thể hiện mạch động lực và mạch điều khiển như hình dưới :
Khi nhấn công tắc ON k1 có dòng điện chạy do mạch kín (k1 cuộn dây công tắc tơ cấp điện cho động cơ 3 pha), khi đó role thời gian bắt đầu đếm, các tiếp điểm vẫn giữ nguyên trạng thái, nên lúc này contactor K1-2 kín, động cơ chạy với kiểu sao, đồng thời vào thời điểm này thường đóng của rơ le thời gian làm cho dòng điện chạy qua do mạch kín làm tiếp điểm thường mở của rơ le đóng lại duy trì sự có điện của K1-1.
Khi nhả nút ON thì K1 vẫn kín vì tiếp điểm duy trì NO. Động cơ chạy sao cho đến khi role thời gian đếm đủ thời gian đặt trước, sau đó các tiếp điểm đảo trạng thái, lúc này cuộn K1-1 hở và cuộn K1-2 kín, động cơ chạy theo kiểu tam giác. Các tiếp điểm thường đóng của K1-1, K1-2 được bố trí trước các contactor để khóa chéo lẩn nhau nhằm an toàn. nếu K1-1 đóng thì K1-2 nhả và ngược lại.
Liên hệ ngay Viteq Electric – Nhận báo giá Tủ Chữa Cháy: Uy Tín – Chất Lượng – Giá Cạnh Tranh Nhất Thị Trường Việt Nam Hiện Nay.
Nhà máy tại :
Địa chỉ: TDP số 04, đường Gia Thượng, TT Quang Minh, Mê Linh, TP. Hà Nội
Hotline: 0981 199 466
Email: tampx.viteqelectric@gmail.com







